リレーで半加算器回路を構築する
はじめに
いつもブログをご覧いただきありがとうございます。
ミジンコに転生したIPUSIRONです😀
半加算器とは
| A | B | S | CO |
|---|---|---|---|
| 0 | 0 | 0 | 0 |
| 0 | 1 | 1 | 0 |
| 1 | 0 | 1 | 0 |
| 1 | 1 | 0 | 1 |
リレーで半加算器回路を実現する
真理値表の出力SとCOそれぞれに注目してください。
ポイントは「出力Sに注目するとXOR回路と同じ」「出力COに注目するとAND回路と同じ」ということです。
つまり、XOR回路とAND回路を別々に作って、入力だけを連動させてしまえば半加算器を実現できるということです。
リレーでXOR回路とAND回路の作り方は次の記事で解説しました。
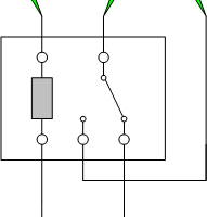
1つのリレーの2回路入っていること、入力はAとBの2つであることを考慮すると、(2C回路の)リレーが2つあればよいことになります。
以上より、半加算器の回路は次のようになります。


※回路が見やすいように4つのリレーがありますが、実際には重複していることに注意してください。入力A、BにつながるリレーをそれぞれリレーA、リレーBと名づけています。
ユニバーサル基板にリレーの半加算器を実装する
使用する部品
| パーツの種類 | 型番・仕様 | 数量 | 備考 |
|---|---|---|---|
| ユニバーサル基板 | Sunhayato MODEL ICB-88 | 1枚 | |
| リレー | MATSUSHITAのDS2-S AG2329 | 2個 | DC5V 2回路2接点リレー |
| 赤色LED | 不明 | 4個 | 手元にあったものを適当に使った。 LEDチェッカーで動作確認済み。 足が長いほうがアノード。 |
| タクトスイッチ | TVDT18-050CB-T | 2個 | 秋月電子通販コード:P-08078 |
| カーボン抵抗 | 270Ω | 4本 | LEDの電流制限用。 使用する赤色LEDの仕様はわからないので、ざっくり順方向電圧VF=2Vとする。そして、流したい順方向電流を10mAとする。 LEDは4個あるが、すべて並列。 R=(V-VF)×100=(4.5-2)×100=250Ω⇒270Ω |
| 電池ボックス | SBH-331AS | 1個 | 単3電池3本用。 スイッチ、リード線つき。 |
| ピンヘッダー | 1行×2列 | 2個 | 電源を着脱しやすいように用意しただけなので、なくてもよい。 |
| テストリードクリップ | TLA-105 | 1組 | 赤と黒の1組。 秋月電子 |
| 単3電池 | 3本 | 電源は4.5Vとする。 今回はコイル側と接点側の電源を共有する。 | |
| ダイオード | 1N4148 | 2本 | コイルサージ吸収のため。 |
| スペーサー | 4本 | ストック品から適当に使った。 | |
| M3ネジ | 8mm ※何でもよい。 | 4本 | ユニバーサル基板にスペーサーを固定するため。 |
| 電線 | 結線用 |
回路
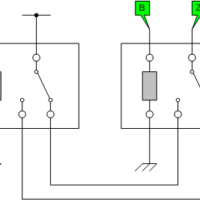
ユニバーサル基板に縦に2個リレーを配置することを考慮して、使用するピン番号を次のように設定しました。


※上下の回路において、入力状態確認回路、コイルサージ吸収回路、出力状態回路は重複して書かれていることに注意してください。
完成した実験回路

左上のLEDはCO、左下のLEDはSに対応しています。
実験風景
真理値表の4パターンをチェックします。



























